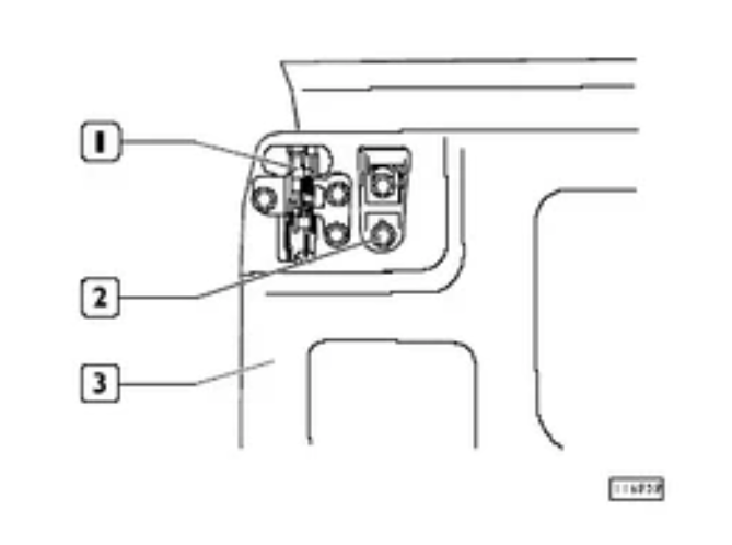
Sostituzione Serratura Superiore Porta Posteriore Destra Iveco Daily
Stacco

Riattacco
Per il riattacco invertire opportunamente le operazioni descritte per lo stacco, serrando le viti (2) alla coppia di 5,4 ÷ 10,2Nm dopo aver registrato la posizione
della serratura (1).


