Sostituzione Maniglia Esterna Porta Scorrevole Iveco Daily
Stacco

Con idoneo attrezzo (4) rimuovere i bottoni (3) e staccare il rivestimento (5).
Staccare la maniglia interna (2) come descritto nel capitolo relativo.
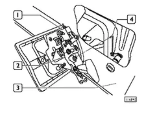
Rimuovere la vite (1) fissaggio maniglia esterna.

Scalzare il fermaglio (2) dal tirante (4) e scollegare quest’ultimo dalla leva (3).
Rimuovere le viti (5) fissaggio maniglie esterna (1) alla porta.

Scostare la maniglia esterna (1) dalla porta scorrevole (3).
Scalzare il fermaglio (2) dal tirante (4) e scollegare quest’ultimo dalla maniglia esterna (1).
Riattacco
Per il riattacco invertire opportunamente le operazioni descritte per lo stacco, serrando le viti di fissaggio, maniglia alla porta alla coppia di 5,4 ÷ 10,2 Nm.


